











I. Overview of Heat Exchanger Unit
Our company's heat exchanger unit is a complete set of district heating equipment which integrates heat exchanger, circulating pump, make-up water pump, thermometer, pressure gauge, various sensors, pipelines and valves, and industrial control, and is equipped with a make-up water system, constant pressure system, water treatment system, variable frequency flow control system, calorimeter and network control communication system. Our company is responsible for the selection of pumps, valves and instruments, the welding of pipeline flanges and the on-site installation and debugging of electrical control. The units of various specifications produced by our company, with the capacity from 0.2MW to 15MW, are designed by standard modules and freely combined to meet the requirements of users under different working conditions, so as to provide users with more reasonable and applicable units. On the premise of meeting users' requirements, we will try our best to save equipment investment for users.
II. Description of Unit Model

III. Product application fields
Residential heating systems for central heating in cities and towns, heating systems for hotels, office buildings and office buildings, heating systems for factory buildings, and heating systems for villas and residential areas. . . .
IV. Unit Characteristics
1. High space utilization rate: humanistic design can save the floor space even for maintenance.
2. It is more convenient for users to install: users only need to make five flange interfaces for primary network and secondary network supply and water supply, and then connect the main power supply to the electric control cabinet of the unit. The unit can operate normally.
3. Modular design can better adapt to users' special working conditions: the combination of quality regulation and quantity regulation of primary and secondary networks, as well as the segmented design of industrial control can meet users' requirements.
4. Organic combination of all kinds of high-performance accessories: the carefully selected components of the unit make the unit have superior product performance-price ratio, so as to achieve maintenance-free and long service life.
V. Control mode
There are five control modes to meet the requirements of different users.
1. Manual control
Manually control the heat exchanger unit, and manually control the water supply temperature of the secondary network of the heat exchanger unit through on-site direct reading instrument. Through the remote pressure gauge and controller, the water can be replenished automatically at constant pressure.

2. Automatic temperature control valve control
The self-operated temperature control valve controls the heat exchanger unit, which has the function of manually controlling the heat exchanger unit, and controls the water supply temperature of the secondary network of the heat exchanger unit through the on-site self-operated temperature control valve. Through the remote pressure gauge and controller, the water can be replenished automatically at constant pressure.

3. Single loop temperature control
Single-loop temperature control automatic heating unit has the function of manual control unit, the primary network is equipped with an electric regulating valve, the flow regulator of the primary network controls the temperature of the secondary network, and it has the function of outdoor temperature compensation. The circulating pump is set to be started and stopped manually and has the function of electrical interlocking with the electric regulating valve, and the automatic water replenishment can be realized by the pressure switch signal without water pump control.

4. Full-automatic unattended field control
The automatic unattended on-site control heat exchanger unit has the function of manually controlling the heat exchanger unit. Besides, the primary network is equipped with an electric regulating valve, which controls the water supply temperature of the secondary network and has the function of outdoor temperature compensation. The circulating pump adopts frequency conversion control, and the water pressure difference of the secondary network is used as the feedback signal. The secondary network is controlled by variables, and the water pump is supplemented by frequency conversion. According to the water pressure difference of the secondary network, it is used as the feedback signal. All water pumps, electric regulating valves, water supply temperature of secondary network, etc. are fully controlled by the controller, and the controller can control the program to automatically start and stop the unit and restart it after power recovery. A water tank level sensor is connected to the controller to automatically control the water level of the water tank. But also has that function of wat shortage protection and water pump prevention; Secondary network return pipeline is equipped with loading and unloading pressure device. Under normal circumstances, the unit is in unattended and automatic operation state, and only the staff need to conduct regular inspections.

5. Automatic unattended remote communication control
The automatic unattended remote communication control heat exchanger unit has the function of manually controlling the heat exchanger unit. Besides, the controller has the function of remote communication, which can transmit the temperature, pressure, flow rate of the water supply and return of the primary and secondary networks, the state of the water pump, the state of the electric regulating valve, the water level signal of the water tank and the state of the frequency converter to the control center, and can receive the control instruction from the control center for remote control. The communication mode can be wired or wireless. Open communication protocol. This kind of network operation of users' heating network fundamentally ends the problem of water conservancy imbalance in primary network. Only the staff are required to conduct regular inspections.

VI. Overall dimensions of the unit


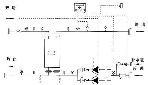
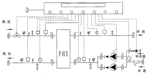
1.Y filter 2. electric regulating valve 3. pressure gauge 4. thermometer 5. butterfly valve 6. decontamination device 7. circulating pump
8. Base 9. Plate heat exchanger 10. Make-up pump (such as steam heating unit, vegetable water heater can be installed according to user requirements, etc.)
VII. Unit parameter table (the weight and dimensions in this table are for reference only)
Heating conditions: the heating radius is 1.5km, the head of circulating pump is 20-30m, and the head of makeup pump is 45m.
Water/water unit primary network 130/80℃ secondary network 95/70℃
水/水機(jī)組 一次網(wǎng)130/80 ℃ 二次網(wǎng)95/70 ℃

VIII. Installation and commissioning of the unit
1. Sufficient maintenance space shall be reserved in the design of the unit equipment room, with no less than two meters in each direction.
2. Before the installation of the unit, turn off all valves. Before the unit leaves the factory, the water pressure test and the cold operation test of the unit are all carried out. Users only need to make five flange interfaces for the water supply and return of the primary network and the secondary network, and then connect the main power supply to the electric control cabinet of the unit. The unit can operate normally. For fully automatic units, users also need to install an outdoor temperature sensor.
3. After the installation of the system is completed, start the pump without water filling, and then exhaust the air. Open the secondary network valve and start the circulating pump. After the system is stable after running for 5 minutes, slowly open the primary network valve.
4. Manually adjust the water supply valve of the primary network and adjust the water supply temperature of the secondary network to the required value. Automatic unit can operate with temperature control.
Stainless steel pipeline heat exchanger unit

Steam-water heat exchanger unit

